Hogyan javítja a ciános berendezések az arany visszanyerését és a helyszín biztonságát?

2026-01-08 - Hagyj üzenetet

Ha valaha is úgy érezte, hogy a ciánozás „hatékony, de stresszes”, akkor nem képzeli. A kémia működik – a mindennapi valóság azonban zűrzavaros lehet: változó érc, reagens-túlköltés, szénveszteség, váratlan leállások és állandó nyomás a biztonságos és következetes működés érdekében. Ez a cikk lebontja, hogy mitCiánozó berendezésekténylegesen meg kell tennie Önt, mit kérdezzen meg vásárlás előtt, és hogyan kerülje el a legdrágább hibákat.


Absztrakt

ModernCiánozó berendezéseknem csupán egy tartálykészlet – ez egy összekapcsolt rendszer, amely a kilúgozási feltételek szabályozására, a visszanyerés stabilizálására, a reagenspazarlás csökkentésére és a cianidkezelés kiszámíthatóságára szolgál. A vásárlók jellemzően négy fájdalomponttal küszködnek: inkonzisztens helyreállítás, magas működési költségek, gyenge biztonsági ellenőrzések és karbantartási fejfájás. Az alábbiakban egy gyakorlati, üzemi nézetet kap a ciános modulokról (lúgozás, adszorpció, deszorpció/elektromos felszívódás, méregtelenítés és műszerezés), kiválasztási mátrixot, beüzemelési tippeket és egy GYIK részt, amelyet a beszállítói beszélgetések során használhat.


Tartalomjegyzék


Vázlat egy pillantással

  • Fordítsa le a „ciánozásra van szükségem” kifejezést teljes, vezérelhető berendezéssé.
  • Határozza meg, melyik modul okozza a veszteségeket (visszanyerés, reagens, szén vagy állásidő).
  • Használjon egyszerű mátrixot az érctípus és a korlátok szerinti megoldások összehasonlításához.
  • Lépjen be a beszállítói értekezletekbe egy ellenőrzőlista segítségével, amely gyorsan feltárja a gyenge terveket.

Az igazi vásárló fájdalompontjai

Amikor az emberek vásárolnakCiánozó berendezések, gyakran azt mondják, hogy „nagyobb felépülésre van szükségem”. Általában ezt jelentik: „Szükségem van a helyreállításra, amely akkor is magas marad, ha az érc megváltozik, a kezelők váltanak, és a helyszín távoli.” Íme a fájdalompontok, amelyek újra és újra megjelennek:

  • Helyreállítási kilengésekaz érc változékonysága, őrlési problémák, oxigénkorlátozás vagy rossz pH-szabályozás okozza.
  • Reagensköltség-csúszása cianid vagy mész túladagolásától „csak a biztonság kedvéért”.
  • Carbon problémákmint például a szennyeződés, kopásvesztés vagy rossz adszorpciós kinetika.
  • Állásidőa szivattyú/szelep meghibásodása, a koptató iszap kopása vagy a nehezen hozzáférhető elrendezések miatt.
  • Biztonsági stressza cianid tárolása, adagolása és vészhelyzeti készenléte körül.

A berendezés jó tervezése nem szünteti meg az összes bonyolultságot, de el kell távolítania a találgatásokat.


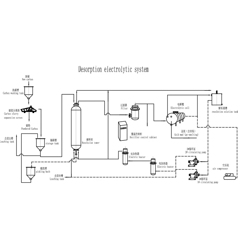
Mit tartalmaz a „ciánozó berendezés”.

Cyaniding Equipment

Minimum,Ciánozó berendezésekAz alábbi funkciókat támogató rendszert kell érteni:

  • Kimosódás: biztosítson időt, keverést és kémiai szabályozást az oldódáshoz.
  • Aranyfogás: adszorpció aktív szénre (CIP/CIL) vagy csapadékra.
  • Arany visszaszerzés: deszorpció és elektro-wind (vagy alternatív visszanyerő áramkörök).
  • Méregtelenítés és zagykezelés: csökkentse a maradék cianidot elfogadható szintre.
  • Műszerek és vezérlés: méri és stabilizálja a pH-t, az oldott oxigént, az áramlást és az adagolást.

Ha egy szállító csak „tartályokról” beszél, nyomja meg őket a teljes áramlás és a szabályozási pontok meghatározásához. A cianidáció elnéző laboratóriumi körülmények között; kaotikus terepi viszonyok között nem elnéző.


Tiszta folyamattérkép Ore-tól Doréig

Bár minden növény különbözik, a legtöbb cianidálási útvonal felismerhető gerincet követ. Használja ezt a térképet annak ellenőrzésére, hogy a javasolt csomag teljes-e:

Színpad Amit El kell érnie Tipikus „rejtett” kockázat
Előkezelés (szükség szerint) Tegye hozzáférhetővé az aranyat, és akadályozza meg a ciánfogyasztási kiugrásokat Figyelmen kívül hagyva a preg-robbing, magas réztartalmú vagy reaktív szulfidokat
Kimosódás Stabil keverés, szabályozott pH és elegendő oxigén Holt zónák, rossz oxigénszállítás, ingadozó pH a gyenge mészrendszerből
Adszorpció (CIL/CIP) Hatékonyan rögzítse az oldott aranyat Rossz szénméret/áthelyezési módszer; szénveszteségek
Elúció/deszorpció Megbízhatóan távolítsa el az aranyat a szénből Az inkonzisztens fűtés/áramlás alacsony sztrippelési hatékonysághoz vezet
Elektromos nyersanyag / olvasztás Térj vissza és készíts dorét Alulméretezett cellák, rossz elektrolitkezelés, iszapkezelési problémák
Méregtelenítés Csökkentse a maradék cianidot a kiürítés/maradék eltávolítása előtt A tervezés nem egyezik az átviteli sebesség változékonyságával vagy a zagykémiával

Kulcsmodulok és mit kell ellenőrizni

1) Lúgozótartályok és keverés

  • Megfelel a keverési kialakítás az iszap sűrűségéhez és koptatóképességéhez?
  • Fenntarthat-e a rendszer stabil pH-értéket az érc változékonysága mellett?
  • Praktikus az oxigén hozzáadása az Ön telephelyén (és figyelembe veszik-e az oxigénszállítást a tervezés során)?
  • Az elrendezés lehetővé teszi a járókerekek, bélések és csapágyak egyszerű ellenőrzését?

2) Szén adszorpció és transzfer

  • Elég robusztusak a szakaszközi képernyők ahhoz, hogy megakadályozzák a szén-dioxid-átvitelt?
  • A szénátvitelt úgy tervezték, hogy csökkentse a törést és a veszteséget?
  • A kialakítás barátságos a tisztításhoz és a szén-dioxid-készlet ellenőrzéséhez?

3) Deszorpció és elektrominisztráció

  • Megfelel-e az elúciós kör az Ön szénterhelési elvárásainak?
  • A fűtés és az áramlásszabályozás stabilak (nem „kezelőfüggő”)?
  • Az iszapkezelés tervezett, nem rögtönzött?

4) A cianid adagolása és mérése

  • Az adagolás automatizált reteszekkel, vagy tisztán kézi?
  • Mi a terv a kalibrációra és az érzékelő karbantartására valódi bányakörnyezetben?
  • A mintavételi helyek biztonságosak és jól vannak elhelyezve, vagy csak utólag?

5) Méregtelenítés

  • A méregtelenítő tervezés a kibocsátási célokon és a zagy kémiáján alapul?
  • Képes kezelni a rövid távú kiugrásokat anélkül, hogy kikényszerítené a leállást?

Gyakorlati tipp:A papíron olcsóbbnak tűnő ajánlatok gyakran költséget vetnek a műveletekbe – extra cianid, extra mész, többlet karbantartási munka és „hősiesebb” kezelői magatartás. A számla később érkezik.


Méretezési és specifikációs alapok

Nem kell kohásznak lenni ahhoz, hogy olyan méretezési kérdéseket tegyen fel, amelyek védik költségvetését. MertCiánozó berendezések, a magméretezési logika az áteresztőképesség, a tartózkodási idő és a tömegátadás körül forog. Bármilyen végleges terv elfogadása előtt győződjön meg arról, hogy ezek a bemenetek egyértelműen szerepelnek:

  • Tervezési teljesítmény(átlag és csúcs, plusz a várható szezonális változékonyság).
  • Cél őrlési méretés mi történik, ha a malom durvábban sodródik.
  • Lúgozási tartózkodási időés hogy teszteken vagy feltételezéseken alapul-e.
  • pH és lúgossági terv(beleértve a mészkészítést és az adagolási stabilitást).
  • Oxigén stratégia(levegő, oxigén vagy nincs) és a kinetikára gyakorolt ​​várható hatás.
  • Szén-leltár(mennyi szén, hol helyezkedik el és hogyan figyelik).

Ha egy szállító nem tudja ezeket közérthető nyelven elmagyarázni, kezelje kockázati jelzésként, nem pedig technikai kérdésként.


Biztonság és cianid szabályozás, amely valóban kitart

A biztonság nem poszter a falon. A cianidozás révén beépül a fizikai tervezésbe és a rutinvezérlésbe. ErősCiánozó berendezéseka csomagok általában a következőket tartalmazzák:

  • Tartalmazott tárolás és szállításvilágos kiömlési útvonalakkal és összevonási logikával.
  • Reteszelt adagolásígy a cianid nem adható hozzá, ha a legfontosabb feltételek nem teljesülnek.
  • Világos mintavételezési kialakításamely csökkenti az expozíció kockázatát a rutinellenőrzések során.
  • Vészhelyzeti készenléta működési eljáráskészlet részeként, nem pedig kiegészítő dokumentumként.

A vevő szemszögéből az Ön feladata egyszerű: kényszerítse ki az ajánlatot, hogy pontosan mutassa be, hogyan lépnek kapcsolatba az emberek a rendszerrel. hol állnak? Mit érintenek? Hogyan izolálják a berendezéseket? Hogyan reagálnak a szivattyútömítés meghibásodására hajnali 2-kor?


Ahonnan valóban származnak a működési költségek

Ha az egy unciánkénti költség felfelé sodródik, az általában nem egy drámai kudarc, hanem a rendszer kis szivárgása, amely összekeveredik. A cianidálás során a leggyakoribb költségtényezők a következők:

  • Cián fogyasztásreaktív ásványok, túladagolási szokások vagy rossz szabályozási körök vezérlik.
  • Mészfogyasztásha a pH-szabályozás instabil, vagy a hígtrágya kémiája nem jól ismert.
  • Szénveszteségkopás, képernyőproblémák vagy rossz átviteli kialakítás miatt.
  • Teljesítmény és karbantartása túlzott keveréstől, az alultervezett kopó alkatrészektől és a nehezen szervizelhető elrendezésektől.
Tünet Valószínű kiváltó ok Berendezés funkció, amely segít
A visszanyerés csökken, amikor az érc megváltozik pH/DO instabilitás; rossz keverés; elégtelen tartózkodási idő Robusztus keverés, jobb vezérlésű műszerek, rugalmas tartálykapacitás
A cianidráfordítás folyamatosan növekszik Túladagolás; magas cianid-fogyasztású ásványi anyagok; rossz mérés Ellenőrzött adagolás, megbízható mintavételi pontok, intelligensebb reteszek
A szénkészlet „rejtélyes módon” zsugorodik Képernyő hibák; átviteli veszteségek; kopás Tartós interstage képernyők, kíméletes átviteli kialakítás, egyértelmű szén-dioxid-elszámolás
Gyakori leállások Kopó alkatrészek, szivattyútömítés, hozzáférési problémák Kopásálló anyagok, karbantartási hozzáférés, szabványos alkatrészek

Megbízhatóság és karbantartás tervezése

Cyaniding Equipment

A cianidáló áramkör „teljesnek” tűnhet, és még mindig megbízhatatlan lehet, ha a karbantartást nem tervezték. Kérdezze meg a szállítót, hogyan áll hozzá:

  • Anyagok kiválasztásaabrazív iszapos zónákhoz és cianiddal érintkező zónákhoz.
  • Hozzáférésképernyőkhöz, járókerekekhez, bélésekhez, szivattyúkhoz és műszerekhez.
  • Pótalkatrészek stratégiaamely megfelel a webhely valóságának (átfutási idők, logisztika, raktárkészlet).
  • Szabványosításhogy csökkentsék az egyedi kopóelemek számát.

Távoli műveleteknél a „könnyen karbantartható” többet ér, mint a „papíron kicsit hatékonyabb”.


Szállítói kérdések, amelyeket fel kell tennie

Használja ezt az ellenőrző listát az értekezleteken. Úgy tervezték, hogy a gyenge javaslatokat gyorsan felszínre hozza – anélkül, hogy a beszélgetést vitává változtatná.

  • Mely érckockázatokat vállalják el, és melyekre tervezik aktívan?
  • Mik a tervezési bemenetek a tartózkodási időre, a pH-tartományra és az oxigénstratégiára vonatkozóan?
  • Hogyan szabályozható a cianid adagolása, és mi történik az érzékelő meghibásodása esetén?
  • Hogyan előzhető meg és mérhető a szénveszteség a rutinműveletek során?
  • Mi a szűrők, keverők és szivattyúk karbantartási hozzáférési terve?
  • Mik a javasolt kezelői ellenőrzések műszakonként, és hogyan tehetők biztonságossá?
  • Milyen üzembe helyezési támogatást tartalmaz, és milyen kezelői képzést biztosítanak?

Ha a szállítókat értékeli, segíthet, ha megbeszél egy olyan gyártóval, amely teljes cianidozási csomagot tud szállítani, és támogatja az integráció részleteit. Például, Qingdao EPIC Mining Machinery Co., Ltd.olyan bányászati ​​feldolgozóberendezési megoldásokat kínál, ahol a cianidozási csomagokat rendszernek tekintik – kilúgozás, adszorpció, visszanyerés és szabályozás –, nem pedig leválasztott tartálykészletnek.


GYIK

Mi teszi a cianidozó berendezéseket „modernebbé”, nem pedig alapvetővé?

A modern dizájn a szabályozhatóságra és az ismételhetőségre összpontosít: stabil adagolás, megbízható mérés, biztonságosabb mintavétel, robusztus kopásvédelem és olyan elrendezések, amelyek csökkentik a kezelői improvizációt. A cél a következetes hasznosítás kevesebb reagens hulladékkal és kevesebb leállással.

A ciánozó berendezések gazdaságosan kezelhetik az alacsony minőségű ércet?

Lehetséges, de csak akkor, ha az áramkört az Ön kinetikája és fogyasztási profilja szerint tervezték. Az alacsony minőségű műveletek általában érzékenyek a reagens túlköltésére és az állásidőre, ezért a vezérlőrendszerek, a kopástervezés és a szén-dioxid-kezelés különösen fontossá válnak.

Honnan tudhatom, hogy CIP-re vagy CIL-re van szükségem?

A választás általában a kioldódás kinetikájától és attól függ, hogy milyen gyorsan kell felfogni az oldott aranyat. Ha az arany gyorsan feloldódik, és azonnali befogást szeretne, a CIL vonzó lehet. Ha a kilúgozásnak előnyös az adszorpció előtti elválasztás, a CIP jobban illeszkedhet. Kohászati ​​tesztek és gyakorlati helyszíni korlátok kell, hogy meghozzák a döntést.

Miért ugrik meg néha hirtelen a cianidfogyasztás?

A gyakori okok közé tartozik az érc ásványianyag-változása, a rossz pH-szabályozás, a váratlan oxigénkorlátozás vagy a technológiai víz szennyeződése. A jó szabályozási terv és a megbízható mintavételi pontok megkönnyítik ezeknek a tüskéknek a diagnosztizálását és gyors korrigálását.

Mit kell előnyben részesítenem, ha a webhelyem távoli és kevés a személyzet?

Részesítse előnyben a karbantarthatóságot és az automatizálást, amely csökkenti a kézi kezelést: tartós képernyők, hozzáférhető berendezés-elrendezés, szabványos alkatrészek, reteszelt adagolás és világos működési rutinok, amelyek nem „egy szakértő kezelőn” múlnak.


Összegzés

VásárlásCiánozó berendezésekvégső soron a bizonytalanság csökkentéséről szól. A kémia bizonyított, de az Ön jövedelmezősége a következetes ellenőrzéstől, a gyakorlati karbantartástól és a valódi emberekkel való valós műszakban működő biztonságtól függ. Ha új üzemet tervez, vagy egy meglévő áramkört korszerűsít, vázolja fel az ércrealitásokat, az áteresztőképességi célokat és a telephely korlátait – és ragaszkodjon ahhoz a javaslathoz, amely a cianidálást teljes, ellenőrizhető rendszerként kezeli.

Készen áll arra, hogy cianidozási tervét megbízható, költségstabil működéssé alakítsa?Ossza meg az érc típusát, a célkapacitást és a telephely feltételeit, éslépjen kapcsolatba velünkmegbeszélni egy praktikus berendezés-konfigurációt, amely illeszkedik az üzeméhez és a kezelőihez.

Kérdés küldése

X
Cookie-kat használunk, hogy jobb böngészési élményt kínáljunk, elemezzük a webhely forgalmát és személyre szabjuk a tartalmat. Az oldal használatával Ön elfogadja a cookie-k használatát. Adatvédelmi szabályzat