English
Español
Português
русский
Français
日本語
Deutsch
tiếng Việt
Italiano
Nederlands
ภาษาไทย
Polski
한국어
Svenska
magyar
Malay
বাংলা ভাষার
Dansk
Suomi
हिन्दी
Pilipino
Türkçe
Gaeilge
العربية
Indonesia
Norsk
تمل
český
ελληνικά
український
Javanese
فارسی
தமிழ்
తెలుగు
नेपाली
Burmese
български
ລາວ
Latine
Қазақша
Euskal
Azərbaycan
Slovenský jazyk
Македонски
Lietuvos
Eesti Keel
Română
Slovenski
मराठी
Srpski језик A homokmosó -gép egy kritikus berendezés, amelyet széles körben használnak a bányászatban, a kőfejtésben és az építőiparban. Elősegíti a szennyeződések, például iszap, por és agyag eltávolítását a homokból és a kavicsból, biztosítva a tisztább és a magasabb minőségű végterméket. Az alapelv egyszerű,......
Olvass továbbA vas eltávolítása döntő szerepet játszik a tiszta víz és az ásványi anyagok hatékony feldolgozásának biztosításában több iparágban. Ez a cikk feltárja a vas eltávolító berendezések tudományát, kialakítását és előnyeit, elmagyarázza, hogyan működik, miért számít, és mi teszi a Qingdao Epic Maging Ma......
Olvass továbbA modern ipari műveletek során az anyagkezelés hatékonysága kritikus szerepet játszik a termelékenységben és a költségkezelésben. A szállító berendezések a gyárak, a bányászat és az ömlesztett anyagkezelő ágazatok sarokkövévé váltak. Mint valaki, aki szorosan együttműködött a gyártósorokkal, gyakran......
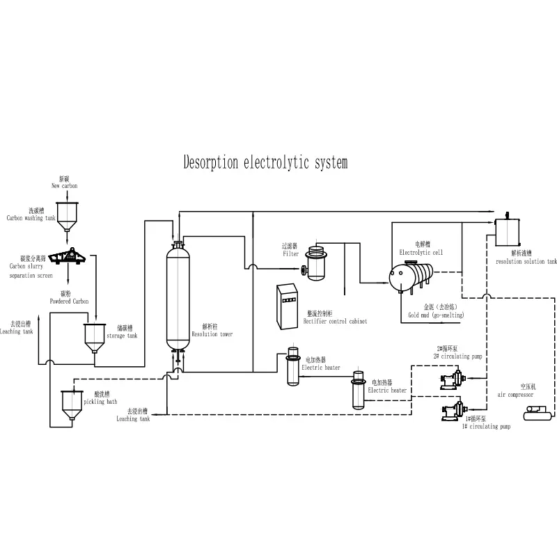
Olvass továbbA cianinger berendezések hatékonyságának, tartósságának és az értékes fémek helyreállításának maximalizálásának képessége miatt nélkülözhetetlen megoldássá váltak a bányászat és a kohászati iparban. A mai rendkívül versenyképes piacon a vállalatok folyamatosan megbízható megoldásokat keresnek, ame......
Olvass továbbA bányászat, a kémiai feldolgozás és a kohászat világában a hatékonyság minden. Függetlenül attól, hogy kimosódik, keveri vagy előkészíti az iszapot a downstream folyamatokhoz, a megfelelő felszerelés meghatározza mind az eredmények minőségét, mind a hosszú távú költségmegtakarítást. Az egyik ilyen ......
Olvass továbbA modern ásványi anyagfeldolgozásról, a hatékonyság, a pontosság és a tartósság az alapvető követelmények. Az érc -hasznosításhoz tervezett sok gép közül a spirál osztályozó az egyik leginkább nélkülözhetetlen. Ezt a berendezést széles körben alkalmazzák a bányászati növényekben, a homokmosóban és......
Olvass tovább