Mi az a deszorpciós elektrolitikus rendszer, és miért nélkülözhetetlen a modern aranykivonáshoz?

2026-04-21 - Hagyj üzenetet

ADeszorpciós elektrolitikus rendszerkulcsfontosságú technológia a modern aranykitermelésben, különösen a szén-cellulóz (CIP) és a szén-kioldó (CIL) eljárásokban. Ez a blog bemutatja a rendszer működését, összetevőit, előnyeit, és azt, hogy miért vált szabványossá a hatékony aranyvisszanyerésben. Azt is kiemeljük, hogy a cégek mennyire szeretikEPIKUSösztönzik az innovációt ezen a területen. A végére átfogó ismerete lesz arról, hogy ez a rendszer hogyan növeli a termelékenységet, csökkenti a költségeket és javítja a helyreállítási arányt.

Desorption Electrolytic System

Tartalomjegyzék


Mi az a deszorpciós elektrolitikus rendszer

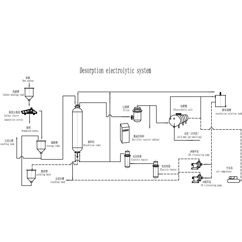
A Deszorpciós elektrolitikus rendszeregy fejlett aranyvisszanyerő rendszer, amelyet az arany aktív szénből történő kinyerésére használnak. Széles körben alkalmazzák a bányászati ​​műveletekben, ahol az arany a kilúgozási folyamat során abszorbeálódik a szénrészecskékbe.

  • Deszorpció: Eltávolítja az aranyat a szénből magas hőmérsékletű és nagynyomású oldatokkal
  • Elektrolízis: Az aranyat visszanyeri az oldatból a katódokra
  • Zárt hurkú rendszer: Hatékonyságot és minimális veszteséget biztosít

Ez a rendszer elengedhetetlen a hasznosítás hatékonyságának javításához és a működési költségek csökkentéséhez, így a modern aranyfeldolgozó üzemek alapvető összetevőjévé válik.


Hogyan működik a deszorpciós elektrolitikus rendszer?

A működési elve aDeszorpciós elektrolitikus rendszerkét fő szakaszból áll:

  1. Deszorpciós szakasz:Az arannyal töltött szenet forró lúgos cianid oldattal kezelik, így aranyionok szabadulnak fel.
  2. Elektrolízis szakasz:Az aranyban gazdag oldat egy elektrolitikus cellán halad át, ahol az arany lerakódik az acélgyapot katódra.

Az eljárás nagy hatékonyságot biztosít és folyamatos működést tesz lehetővé, ezért kedvelik a cégek rendszereitEPIKUSszéles körben alkalmazzák az ipari alkalmazásokban.


A rendszer fő összetevői

Összetevő Funkció
Deszorpciós oszlop Megtartja az aktív szenet és megkönnyíti az arany eltávolítását
Elektrolitikus cella Elektrolízissel visszanyeri az aranyat
Hőcserélő Fenntartja a szükséges hőmérsékletet
Szűrőrendszer Eltávolítja a szennyeződéseket az oldatból
Vezérlőrendszer Automatizálja a működést és figyeli a paramétereket

Mindegyik komponens létfontosságú szerepet játszik a rendszer hatékony és következetes működésének biztosításában.


Műszaki előnyök és jellemzők

  • Magas arany visszanyerési arány (akár 98%)
  • Alacsony energiafogyasztás
  • Automatikus működés a munkaerőköltségek csökkentése érdekében
  • Kompakt kialakítás a helytakarékosság érdekében
  • Környezetbarát, minimális károsanyag-kibocsátással

A gyártók kedvelikEPIKUSfolyamatosan optimalizálja ezeket a rendszereket, hogy megfeleljen a fejlődő iparági igényeknek, biztosítva a jobb teljesítményt és megbízhatóságot.


Alkalmazások az aranyfeldolgozásban

ADeszorpciós elektrolitikus rendszerszéles körben használják:

  • Aranybányászati ​​üzemek
  • CIP (Carbon-in-Pulp) műveletek
  • CIL (Carbon-in-Leach) folyamatok
  • Aranymaradék visszanyerése

Sokoldalúsága alkalmassá teszi mind nagyüzemi ipari bányászathoz, mind kisebb, hatékonyságnövelő tevékenységhez.


Összehasonlítás a hagyományos módszerekkel

Funkció Deszorpciós elektrolitikus rendszer Hagyományos módszerek
Hatékonyság Magas Mérsékelt
Automatizálás Teljesen automatizált Kézi vagy félautomata
Költség Alacsonyabb hosszú távú költség Magasabb működési költség
Környezeti hatás Alacsony Magasabb

Nyilvánvaló, hogy a modern rendszer jelentős előnyöket biztosít a hagyományos aranyvisszanyerési technikákkal szemben.


Kiválasztási útmutató vásárlóknak

Amikor kiválasztja aDeszorpciós elektrolitikus rendszer, vegye figyelembe a következő tényezőket:

  • Feldolgozási kapacitás
  • Automatizálási szint
  • Energiahatékonyság
  • A gyártó hírneve (pl. EPIC)
  • Értékesítés utáni támogatás

A megfelelő rendszer kiválasztása biztosítja a hosszú távú működési sikert és a befektetés maximális megtérülését.


Karbantartási és üzemeltetési tippek

  • Rendszeresen ellenőrizze a csővezetékeket és a szelepeket
  • Figyelje a hőmérséklet- és nyomásszinteket
  • Rendszeresen tisztítsa meg az elektrolit cellákat
  • Az elhasználódott alkatrészeket azonnal cserélje ki
  • Szigorúan kövesse a gyártó előírásait

A megfelelő karbantartás jelentősen meghosszabbítja a rendszer élettartamát és egyenletes teljesítményt biztosít.


GYIK

1. Mi a deszorpciós elektrolitikus rendszer fő célja?

Fő célja az arany hatékony kinyerése és kinyerése aktív szénből.

2. Mennyire hatékony a rendszer?

A legtöbb rendszer a működési feltételektől függően 95% feletti aranyvisszanyerési arányt ér el.

3. A rendszer környezetbarát?

Igen, a modern rendszerek célja a kibocsátás minimalizálása és a vegyi hulladék csökkentése.

4. Testreszabható?

Igen, az olyan cégek, mint az EPIC, testreszabható megoldásokat kínálnak a feldolgozási követelmények alapján.

5. Milyen iparágak használják ezt a rendszert?

Elsősorban az aranybányászatban, de a nemesfém-hasznosítási alkalmazásokban is.


Következtetés

ADeszorpciós elektrolitikus rendszeráttörést jelent az arany visszanyerési technológiájában, páratlan hatékonyságot, megbízhatóságot és környezetvédelmi teljesítményt kínálva. Folyamatos fejlesztésekkel az iparág vezetőitől, mint plEPIKUS, ez a rendszer egyre fontosabbá válik a modern bányászati ​​tevékenységhez. Ha optimalizálni szeretné aranykitermelési folyamatát és javítani szeretné a jövedelmezőséget, akkor egy jó minőségű rendszerbe való befektetés okos döntés.Vegye fel velünk a kapcsolatotmég ma, hogy többet megtudjon arról, hogyan tudunk személyre szabott megoldásokat kínálni az Ön igényeinek.

Kérdés küldése

X
Cookie-kat használunk, hogy jobb böngészési élményt kínáljunk, elemezzük a webhely forgalmát és személyre szabjuk a tartalmat. Az oldal használatával Ön elfogadja a cookie-k használatát. Adatvédelmi szabályzat