Deszorpció elektrolitikus rendszer
  • Deszorpció elektrolitikus rendszer Deszorpció elektrolitikus rendszer

Deszorpció elektrolitikus rendszer

Mint a professzionális gyártó, az EPIC kiváló minőségű deszorpciós elektrolitrendszert szeretne biztosítani. És a legjobb értékesítés utáni szolgáltatást és időben történő kézbesítést kínáljuk Önnek.

Kérdés küldése

termékleírás

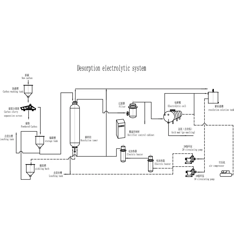
Jártas gyártóként az EPIC célja, hogy a legkiválóbb deszorpciós elektrolitikus rendszert kínálja. Megígérjük, hogy a legjobb értékesítés utáni támogatást és azonnali kézbesítést nyújtunk Önnek. Az anion aktivált szén-adszorpciós deszorpciós rendszerének könnyebb hozzáadásával, így az Au (CN) 2 "cseréje megvalósítja az arany deszorpcióját.

1, Magas hőmérséklet, magas nyomás, cianid nélkül, deszorpciós automatikus kontroll, magas elfogyasztással, íjfogyasztással, gyors

Jellemzők: 

A.High hatékonyság: Ha az aranyat töltött szén-fokozat eléri a 3000 g/t-t, akkor a deszorpciós sebesség több mint 96%-ot érhet el, és a rossz szén-dioxid-fokozatot 3-4-szer lehet csökkenteni, összehasonlítva a hagyományos deszorpciós elektrolitikus elemeket.

eszköz:

B.FAST: A deszorpciós elektrolízis hőmérséklete akár 150 ℃ (30-55 ℃ magasabb is lehet, mint más modellek) A rendszer működése 0,5 mPa-ig (0,2-0,5 mPa magasabb, mint más modellek), tehát 

Háromszor: C. LOW-fogyasztás: A deszorpciós elektrolitikus hőmérséklet megegyezik, nincs hőátadás a gyors munka miatt, tehát a teljes energiafogyasztás a hagyományos rendszer 1/2-1/4.

2. Nincs cianid: A deszorpciós oldatnak nem kell nátrium -cianidot hozzáadnia, olcsó, szennyezés nélkül:

3, Kiváló minőségű arany sár, nincs szükség az elektrolízis megfordítására, könnyű extrahálás;

4, Automatikus vezérlés: A folyadékszint -vezérlő rendszer, a hőmérséklet -szabályozó rendszer és az automatikus vezérlőrendszer kifejezetten állítsa be;

5., Biztonság: Hármas biztonsági védelmi intézkedésekkel, nevezetesen a rendszer intelligens, autoratikus nyomáskorlátozó nyomáskibocsátási mechanizmussal, biztosítási biztonsági szelep.

Hot Tags: Deszorpció elektrolitikus rendszer
Kérdés küldése
Kérdését az alábbi űrlapon adja meg. 24 órán belül válaszolunk.
X
Cookie-kat használunk, hogy jobb böngészési élményt kínáljunk, elemezzük a webhely forgalmát és személyre szabjuk a tartalmat. Az oldal használatával Ön elfogadja a cookie-k használatát. Adatvédelmi szabályzat